

PZ Pilot Plus
Origen: EE.UU.
Caracter铆sticas generales:
Con capacidad de imprimir 8 l铆neas de texto o 1 l铆nea en diferentes alturas de hasta 36mm, programables desde el mismo equipo, con una resoluci贸n de 200dpi horizontales y 185dpi verticales. Adem谩s, con la utilizaci贸n del software ImageMaster se incrementan las posibilidades de impresi贸n, permitiendo logotipos, c贸digos de barra, caracteres especiales (脕rabes, Griegos, u otros) y distintos contadores. Este equipo tiene la capacidad de adherencia sobre superficies Porosas o No-Porosas seg煤n el modelo. Puede almacenar 128 mensajes de hasta 220 caracteres c/u. El PZ PILOT PLUS se presenta como la alternativa m谩s econ贸mica en cabezales piezoel茅ctricos de dise帽o industrial apto para operar en ambientes agresivos.
Componentes del Sistemas de Impresi贸n PZ Pilot Plus
Especificaciones T茅cnicas del PZ Pilot Plus
Tecnolog铆a de Impresi贸n |
Tercera generaci贸n de cabezales con tecnolog铆a piezo impulsor para tintas porosas y no porosas. |
Velocidad de Impresi贸n |
Hasta 61mtrs/min. (180 pies/min.) con 200dpi. de resoluci贸n. A mayor velocidad menor resoluci贸n. |
Resoluci贸n de Impresi贸n Vertical |
185 dpi con la capacidad de imprimir im谩genes, peque帽os caracteres y c贸digos de barras. |
Resoluci贸n de Impresi贸n Horizontal |
200 dpi. De resoluci贸n a 38mts./min. |
Altura m谩xima de Impresi贸n |
36 mil铆metros (1.4鈥) |
Reloj |
Reloj en tiempo real con bater铆a de respaldo. |
Indicador de Bajo Nivel de Tinta |
LED indicador destellante |
Interfase de Uso |
El ID/3 Terminal de Mano, se utiliza para la programaci贸n del equipo o para la creaci贸n de los mensajes. |
Sensor de Producto |
Sensor Standard de tipo reflectivo, de proximidad, de barrero u otros. |
Interfase de Comunicaci贸n |
El sistema incluye tres conectores DB9 hembra para fotoc茅lulas, shaft encoders o dispositivos del tipo RS-232. |
Requerimientos El茅ctricos |
90 鈥 240 VAC 0.5Amp. , 50/60Hz |
Dimensiones del Controlador |
Largo:26,9cm (10.6鈥) |
Construcci贸n del Gabinete |
Aluminio anodinado, a prueba de salpicaduras. |
Temperaturas de Trabajo |
De -18掳C (0掳F) hasta 50掳C (120掳F) |
Materiales a Imprimir |
Porosos o No Porosos |
Sistema de Tinta |
Botella de 500ml, Bomba de Purga Mec谩nica, Tanque de Tinta sin piezas mec谩nicas m贸viles |
Especificaciones del Software para PZ Pilot Plus
Caracter铆sticas del Software |
Contadores, Contadores de Lotes, Reloj con formato de 24hs., Programaci贸n de Distintos Turnos, Fecha Juliana, Mes y semana en formato de tres letras, Distintos formatos para la Fecha de Vencimiento, Ancho del car谩cter, Configuraci贸n de la Fotoc茅lula, opciones para invertir y revertir el mensaje, Impresi贸n en formato Bold. |
Capacidad del Mensaje |
Hasta 8 l铆neas por mensaje con el ID3 y m谩s de 16 con el ImageMaster. |
Cantidad de Mensajes |
Hasta 128 mensajes con el ID3 y capacidad ilimitada con el ImageMaster. |
Largo de los mensajes |
Hasta 220 caracteres y 300cm. (120鈥) usando el ImageMaster庐. |
Fuentes |
Tres tipos de fuentes incluidas en el equipo. (Arial庐, Courier庐 y Lucida庐), con la posibilidad de cargar mas fuentes a trav茅s del ImageMaster庐. |
Dimensiones del Texto |
9 formatos residentes desde 1,6mm. (.06鈥) hasta 36mm. (1.4鈥) de altura. |
C贸digos de Barra |
UPC-A y SCC-14 incluidos en el equipo. Otros tipos de c贸digos se pueden cargar con el ImageMaster庐. |
Logos |
Los Logos pueden ser cargados 煤nicamente con el ImageMaster庐. |
Consumo de Tinta |
Contiene una funci贸n que calcula el consumo de tinta para el mensaje que se encuentra imprimiendo. |
Especificaciones del Software Imagemaster
Hora y Fecha |
Formatos m煤ltiples que incluyen 3 letras para el mes, 3 letras para el d铆a, 2 d铆gitos para el mes, 2 d铆gitos para el d铆a, dos d铆gitos para la hora, dos d铆gitos para los minutos, 2 d铆gitos para los segundos, 4 y 2 d铆gitos para el a帽o, 2 d铆gitos para el dia de la semana. Reloj con formato de 12 y 24hs. D铆a Juliano. |
Fecha de Vencimiento |
Campos programables en d铆as |
Contadores |
16 campos contadores |
Turnos |
4 Campos para definir turnos de trabajo. |
C贸digos de Barras |
Code 39, Interleaved 2 of 5, UPC-A, EAN-8, EAN-13, Code 128, UCC-128, SCC-14, SSCC-18, Postnet, MSI, PDF417, DataMatrix and Codaba. |
Largo del Mensaje |
Hasta 300 cm de largo. |
Gr谩ficos |
Se pueden insertar im谩genes en formato BMP de 1 bit. |
Consumo de Tinta |
Funci贸n de calculo de consumo de tinta seg煤n el mensaje |
Seguridad |
Funci贸n de seguridad a trav茅s de usuarios y contrase帽as. |
Accesorios Opcionales del PZ Pilot Plus
Software ImageMaster |
Software para manejo y ampliaci贸n de funcionalidad del equipo PZ Pilot. |
Kit de Arranque |
Incluye Tinta, Solvente de Limpieza y Pa帽os de limpieza. |
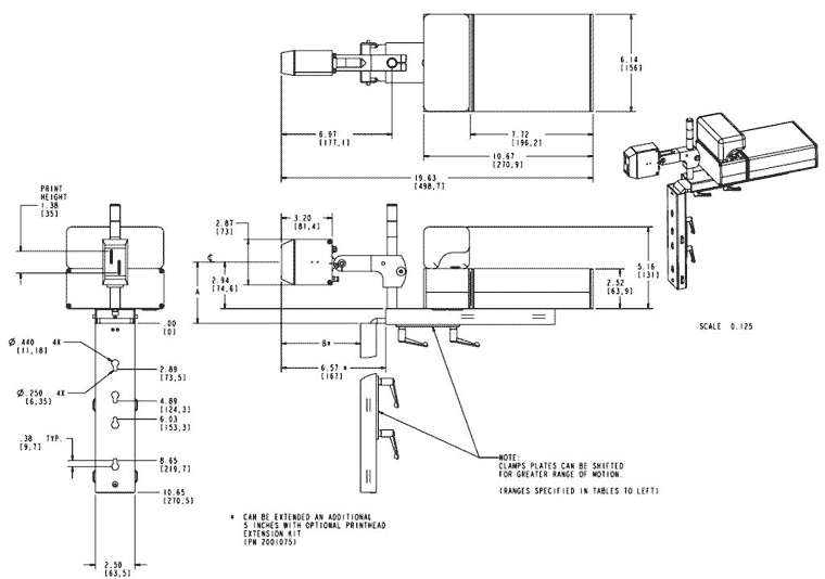
Dimensiones del PZ Pilot Plus
Haga Click sobre la imagen para ampliarla
M谩s Im谩genes
Haga Click sobre la imagen para ampliarla